Veron Vrza Twente forum
Skip to content
Search
Advanced search
Quick links
Unanswered topics
Active topics
Search
FAQ
Login
Register
Board index
Veron VRZA Twente rotor controller 2016
hardware
Search
Schema V2
Moderator:
pe1br
Post Reply
Print view
Search
Advanced search
1 post • Page
1
of
1
pe1br
Posts:
66
Joined:
Thu Apr 14, 2016 3:37 am
Schema V2
Quote
Post
by
pe1br
»
Wed Jan 04, 2017 1:10 am
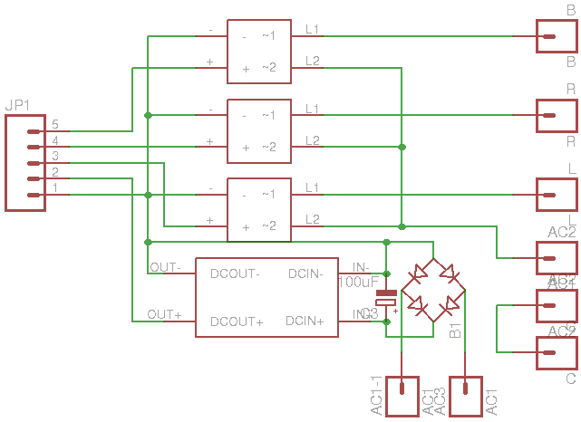
Schema's:
afbeeldingen:
mainbord schema V2.png
(64.35 KiB) Not downloaded yet
controlbord schema V2.png
(7.59 KiB) Not downloaded yet
eagle files:
Mainbord V2.sch
(349.66 KiB) Downloaded 2662 times
relaisboard V2.sch
(144.75 KiB) Downloaded 2672 times
Top
Post Reply
Print view
1 post • Page
1
of
1
Return to “hardware”
Jump to
Vossenjacht 2020
↳ Aankondigingen
↳ zelfbouw projecten
Veron VRZA Twente Micro BITX 2019
↳ Algemeen
↳ Hardware
↳ Software
↳ Documenten
Veron Vrza Twente Arduino workshop 2017
↳ Lessen
↳ Huiswerk
↳ Materiaal benodigd voor deze workshop
↳ Discussie
↳ Documentatie
↳ projecten
↳ archief workshop oktober 2017
Veron VRZA Twente rotor controller 2016
↳ hardware
↳ Software
↳ Documenten
overige
↳ overige onderwerpen