μBITX - Aansluiten

Moderators: pe1br, pe2hhn

Post Reply
pe2hhn
Posts: 5
Joined: Fri Apr 15, 2016 9:15 pm

μBITX - Aansluiten

Post by pe2hhn »

μBITX - Aansluiten

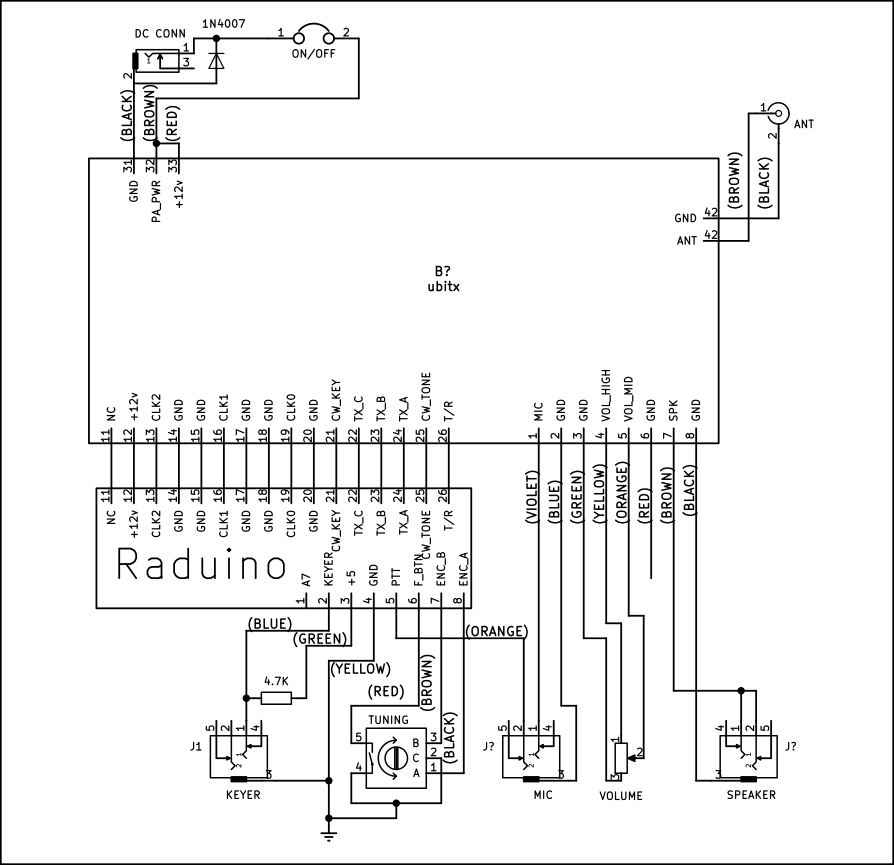
Hier is hoe de μBITX moet worden bedraad.
b1.png
μBITX - Aansluiten
(114.96 KiB) Downloaded 1 time
Als je het bovenstaande kunt volgen, ga je gang, sluit je de kabel aan en ga je verder met de instructies voor het afstellen. Onthoud dit gewoon:

De CW-keyer moet worden bedraad, zelfs als u niet van plan bent om CW te gebruiken. Ja, de 4,7K-weerstand naar 5v is een must.
De Raduino-kaart wordt aangesloten op de μBITX-kaart. U kunt de LCD van de Raduino loskoppelen en apart op het frontpaneel installeren met draden van de Raduino.
Houd de draden naar de antenne-aansluiting zo kort als je kunt beheren.

Lees verder als je meer gedetailleerde instructies nodig hebt.

Kies een chassis

De μBITX werkt met bijna elk chassis, of zelfs zonder een chassis! μBITX werkt het best met een volledig metalen chassis met goede ventilatie rond de koellichaam.

GEVAAR: De koellichaam van de μBITX draagt ​​de PA DC-spanning. Ze mogen niet in contact komen met het chassis of een ander metalen oppervlak.

Mijn persoonlijke voorkeur is om de microfoonvoet richting de rand van het voorpaneel te houden, zodat de microfoonkabel niet in de weg zit van andere kabels en knoppen. Ik bedien de microfoon met mijn linkerhand en de CW-toets met mijn rechterhand en mijn transceivers zetten de aansluitingen op als microfoon, hoofdtelefoon, sleutel (van links naar rechts). Misschien wilt u een andere lay-out.

Stap 1: installeer alle connectoren en de bedieningselementen
De bedieningselementen op het voorpaneel zijn geïnstalleerd.

Installeer de DC-connector
Installeer de antenneconnector
Installeer de drie oortelefoonaansluitingen voor de microfoon, sleutel en luidspreker
Installeer de encoder
Installeer de volumeregelaar

Als u een linkshandige persoon bent, kunt u de afstemcodering aan de linkerkant van het voorpaneel installeren.

De μBITX-kit wordt geleverd met drie 3,5 mm stereo-aansluitingen. Deze zijn bedoeld voor de aansluitingen voor microfoon, hoofdtelefoon en CW-toets. De hulslip van elk van deze bussen moet op de grond worden aangesloten. Dit gebeurt automatisch als u een volledig metalen doos voor deze radio gebruikt.

Als u een niet-metalen doos gebruikt, soldeert u de draden tussen de aardaansluiting van elk van de aansluitingen en verbindt u deze met de gelijkstroomaarde. De DC-aarding is beschikbaar op de gele draad die is aangesloten op de encoder of op de DC-aansluiting.

Om fouten te voorkomen, is het beter om de naam van de socket ertegen te schrijven, in het chassis. Zie de afbeelding hieronder.

Stap 2: bedrading van de DC-connector

Pak de 3-pins DC-connector op met kabels en de 1N4007-diode (deze is zwart van kleur). Hier is hoe de DC-connector eruit ziet vanaf de achterkant.

De 1N4007 moet met omgekeerde polariteit worden geïnstalleerd. Het doel is om uit te voeren als u de radio omgekeerd hebt gevoed en zichzelf hebt verbrand in plaats van de radio.

Soldeer de 1N4007-diode over de DC-connector. De ring van de diode moet naar het positieve lipje van de DC-connector gaan, de andere kant van de diode gaat naar het aardentabblad. (Zie de afbeelding hieronder)
Soldeer de rode en bruine draden van de DC-kabel samen in de positieve lip van de DC-connector
Soldeer de zwarte draad op de grond.

Steek nu dit in de DC-connector van het moederbord. Schakel de stroom in en meet de stroom. Het moet tussen 90ma en 110ma zijn.

TIP: Sluit het aardingslipje van de DC-connector aan op het chassis met een dikke draad. De dikke draad is nodig omdat een lage impedantie verbinding met het chassis aardlussen voorkomt. Dit is alleen van toepassing als u een metalen chassis gebruikt (ten zeerste aanbevolen).

Stap 3: bereid de digitale connector voor

De digitale connector is een 8-bits connector die het Raduino-bord op het voorpaneel aansluit.

Neem een ​​van de twee 8-pins connectors, schrijf er 'DIGITAL' bovenop. Draai de draden samen zodat ze aan elkaar blijven plakken. Misschien wilt u wat isolatietape aanbrengen om ze bij elkaar te houden.

De kabellengte van de digitale connector moet net voldoende zijn om naar het frontpaneel te worden geleid, het overschot moet worden weggesneden. Als de draden opgerold of gelust worden gelaten, kan de digitale ruis toenemen.

Stap 3.1: De up-up-encoder updaten

De encoder heeft aan één zijde drie tabbladen die overeenkomen met de A-, grond- en B-tabs van Encoder. Aan de andere kant bevindt zich de drukknop. Het moet als volgt worden bedraad:

Zwart van de Digital-connector naar Encoder's A-tab (dit is A0 van het Raduino-bord)
Bruin van de digitale connector naar het tabblad B van de codeerder (dit is de A1 van het Raduino-bord)
Rood van de schakelaar van de Digital connectorto Encoder (dit is A2 van het Raduino-bord)
Geel van de digitale connector naar de middelste tab van de encoder (dit is de grondlijn van het Raduino-bord)
Soldeer het resterende lipje van de drukschakelaar naar de gele draad van de digitale connector (het moet ook naar de grond gaan)

Stap 3.2: Bedrading van de PTT vanaf de digitale connector (nog niet de microfoon)

Sluit de oranje draad van de digitale connector aan op de meest linkse lip van de mic socket (van achteren gezien). Als we de lijn van de microfoon op de Audio-connector aansluiten, biedt dit ook een gemeenschappelijke basis voor de PTT.

Controleer of de aardaansluiting van de microfoon aansluit op de grond van het chassis.

Stap 3.3: Bedrading van de CW-sleutel

De CW-toets heeft een pull-up-weerstand van 4,7 K van 5 volt nodig om de tip van de contactdoos te gebruiken. De groene draad van de digitale connector draagt ​​5v. De blauwe draad van de digitale connector is de sleutellijn (A6 van Raduino).

Soldeer de blauwe draad van de digitale connector op het uiteinde van de CW-contactdoos
Soldeer de 4,7K-weerstand aan de tip van de CW-sleutelbus.
Soldeer de groene draad van de digitale connector van de digitale connector naar de andere kant van de 4.7 K-weerstand.

GEVAAR: Als u de μBITX zonder de pull-upweerstand inschakelt, kan de μBITX willekeurig in CW-uitzending gaan

Verlaat de violette draad (de A7). Houd het opgerold. Het wordt niet gebruikt in de μBITX. Als je je een weg baant rond de μBITX, zoek er dan wat gebruik voor.

Stap 4: bedrading van de audioconnector

De audio-aansluiting is nog een 8-pins connector.
Het maakt verbinding met het moederbord van de μBITX.

Het verbindt de microfoon, hoofdtelefoon en de volumeregelaar met het bord

Schrijf 'Audio' op de bovenkant van de connector om te voorkomen dat deze wordt vervangen door de digitale connector.

Stap 4.1: Bedrading van de volumeregelaar

De groene, oranje en gele draden van de audioconnector zijn gesoldeerd aan de volumeregelaar

Verbind de groene draad met het aardentabblad van de volumeregelaar
Verbind de gele draad met het hete uiteinde van de volumeregelaar
Verbind de oranje draad met de wisser (middelste lip) van de volumeregelaar

Stap 4.2: Bedraad van de microfoon

De blauwe en paarse draden van de audioconnector worden aangesloten op de microfoon.

De blauwe draad is gesoldeerd aan de aardaansluiting van de microfoonaansluiting
De paarse draad wordt aangesloten op de punt van de microfoonaansluiting

Stap 4.3: Bekabeling van de hoofdtelefoon

De bruine en zwarte draden van de audio-aansluitingen voeren de luidspreker uit.

De bruine draad is luidsprekeruitgang
De zwarte draad is luidsprekeraarde

De bruine draad moet worden verbonden met de (beide) de punt en de ring van de hoofdtelefoonaansluiting.

Tip: u kunt een luidspreker aansluiten door een interne luidspreker op de aardaansluiting en een van de twee niet-verbonden aansluitingen van de hoofdtelefoonaansluiting aan te sluiten.

Stap 5: Bedrading van de antenne-aansluiting

De BNC-antennecontactdoos moet dicht bij de antenneconnector op het moederbord worden gemonteerd.

Verbind de 2-pins draadconnector met de antennebus op het bord. Knip de draad tot de kortste lengte door, die hem naar de antennebus brengt.

Terwijl u de BNC-antennebus op de doos bevestigt, moet u de soldeeroog over de BNC-bus schuiven vanuit de doos (tussen de moer en de wand van de radiokast).

Verbind de zwarte draad van de antenneconnector met de nok van de BNC-bus.
Verbind de bruine draad van de antenneconnector met de middelste pin van de BNC-bus.

Stap 6: Aansluiten

Installeer de μBITX-kaart
Plaats het Raduino-bord in de μBITX. Wees voorzichtig, het is gemakkelijk om het bord verkeerd te installeren door een speld over te slaan.
Verbind de audio-aansluiting met de μBITX-kaart
Verbind de digitale connector met het Raduino-bord
Sluit de antenne- en stroomaansluitingen aan

Stap 7: Uitchecken

Sluit een microfoon aan (tip is Mic, ring is de PTT) en een luidspreker.
Bevestig een lage SWR-antenne
Plug-in schone 12 V DC-voeding die ten minste 3 ampère kan leveren.
Attachments
μBITX - Aansluiten.odt
μBITX - Aansluiten
(50.74 KiB) Downloaded 5122 times
Post Reply